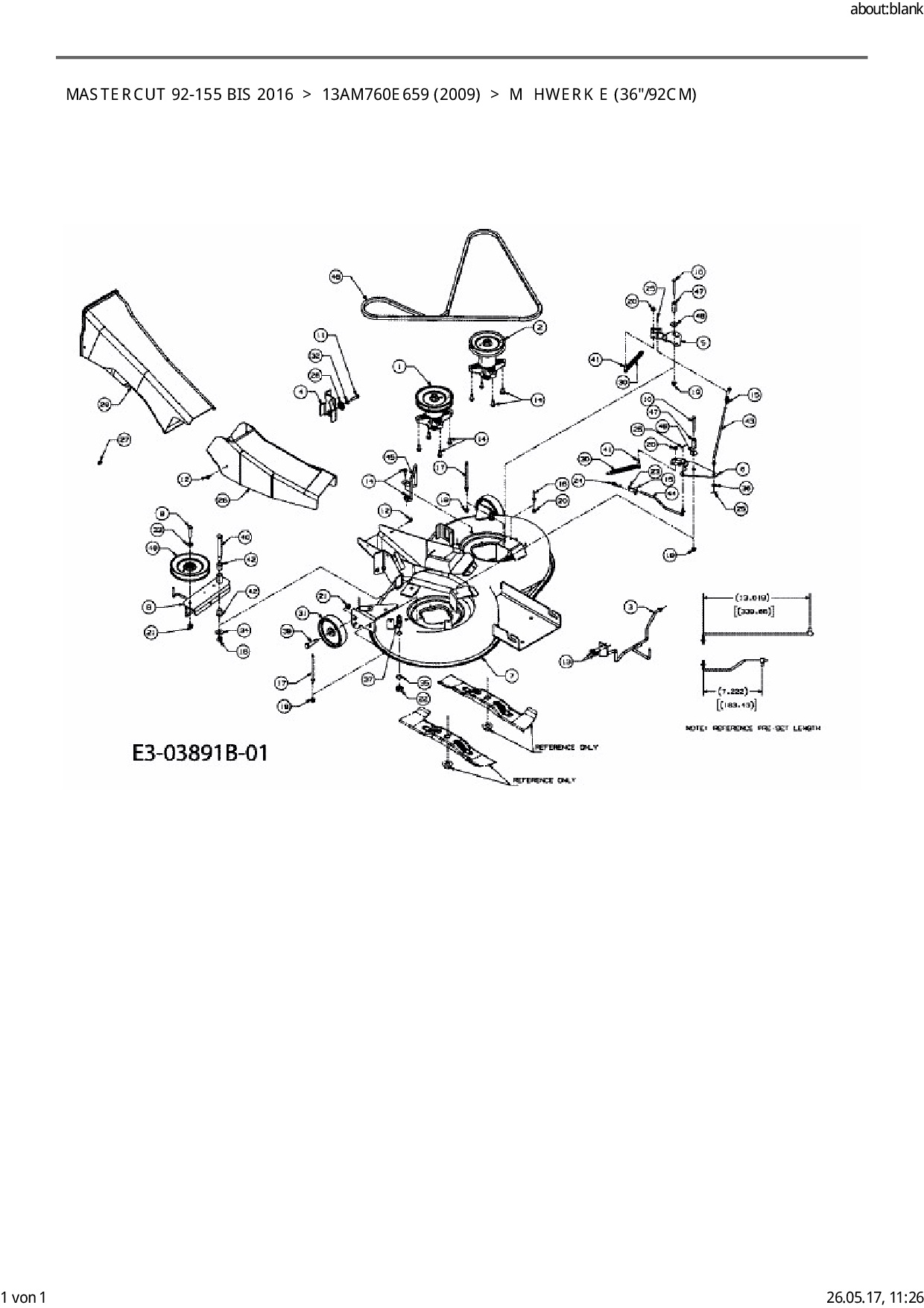
Master Cut 92 155 Keilriemen Mähwerk Wechseln
Es war ein warmer Samstagnachmittag, die Sonne brannte auf den Rasen. Eigentlich ein perfekter Tag für ein Nickerchen im Schatten eines Apfelbaums. Aber nein, das Schicksal – oder besser gesagt, mein Mähwerk – hatte andere Pläne. Ein lautes Quietschen, gefolgt von einem verdächtigen Knall, verkündete das Ende des Friedens.
Das Drama des gerissenen Keilriemens
Ich wusste sofort, was los war. Der Keilriemen hatte sich verabschiedet. Unser treuer Master Cut 92 155, der uns schon seit Jahren gute Dienste leistete, stand still und stumm da, wie ein beleidigtes Kind. Ich gebe zu, ich war nicht begeistert. Rasenmähen gehört definitiv nicht zu meinen Lieblingsbeschäftigungen. Aber was musste, das musste.
Also, bewaffnet mit einem Schraubenschlüssel und einer gehörigen Portion Resignation, machte ich mich ans Werk. Ich hatte mir mal ein YouTube-Video angesehen, wie man einen Keilriemen beim Mähwerk wechselt. Theoretisch sollte das ja kein Problem sein. Praktisch sah die Sache dann doch etwas anders aus.
Zuerst versuchte ich, mich an die Anweisungen im Video zu erinnern. Irgendwas mit "Spannrolle lösen" und "Riemenscheibe abnehmen". Aber die Spannrolle wollte sich einfach nicht lösen lassen. Sie saß fest, wie ein trotziges Kind, das seinen Willen durchsetzen wollte. Nach einer halben Stunde Fluchen und Ziehen hatte ich immer noch keinen Erfolg.
Meine Nachbarin, Frau Müller, kam gerade vorbei, um ihren Kater Flauschi zu suchen. Sie blieb stehen und sah mir belustigt zu. "Na, Herr Schmidt," rief sie, "haben Sie Probleme mit Ihrem Mähwerk?"
"Probleme ist eine Untertreibung, Frau Müller", antwortete ich genervt. "Ich versuche seit einer Stunde, diesen blöden Keilriemen zu wechseln, aber diese Spannrolle will einfach nicht nachgeben."
Frau Müller lachte. "Wissen Sie," sagte sie, "mein Mann hatte früher auch immer Probleme damit. Er hat immer gesagt, man muss da mit Gefühl rangehen. Und ein bisschen WD-40 hilft auch oft."
Ich probierte es mit dem WD-40. Und siehe da, nach ein paar Spritzern löste sich die Spannrolle tatsächlich! Frau Müller grinste triumphierend. "Manchmal braucht man einfach ein paar gute Tipps", sagte sie. "Und ein bisschen Geduld."
Der Einbau des neuen Keilriemens
Jetzt, da die Spannrolle gelöst war, konnte ich den alten, gerissenen Keilriemen endlich entfernen. Er sah wirklich schlimm aus, zerfetzt und ausgefranst wie ein alter Putzlappen. Ich war überrascht, dass er überhaupt so lange gehalten hatte.
Der Einbau des neuen Keilriemens war dann eigentlich ganz einfach. Ich folgte einfach den Anweisungen im YouTube-Video rückwärts. Spannrolle spannen, Riemenscheibe aufsetzen, Riemen richtig positionieren. Und dann: Fertig!
Ich startete den Master Cut 92 155 und hielt den Atem an. Der Motor sprang sofort an. Kein Quietschen, kein Knall. Nur das sanfte Summen eines funktionierenden Mähwerks. Ich hatte es geschafft!
"Manchmal," dachte ich, "ist Rasenmähen gar nicht so schlimm. Vor allem, wenn man eine nette Nachbarin hat, die einem mit Rat und Tat zur Seite steht."
Ich mähte den Rasen zu Ende, mit einem breiten Grinsen im Gesicht. Der Rasen sah perfekt aus, und ich war stolz auf meine handwerklichen Fähigkeiten (mit freundlicher Unterstützung von Frau Müller und WD-40). Und wer weiß, vielleicht werde ich ja doch noch ein Rasenmäh-Experte. Zumindest solange, bis der nächste Keilriemen den Geist aufgibt.
Am Abend saß ich dann mit einem kühlen Bier auf der Terrasse und betrachtete meinen frisch gemähten Rasen. Flauschi, Frau Müllers Kater, schlich um meine Beine und schnurrte. Es war ein guter Tag gewesen. Ein Tag, an dem ich gelernt hatte, dass man mit Geduld, ein paar guten Tipps und einem Schuss Humor fast alles schaffen kann. Sogar das Wechseln eines Keilriemens beim Mähwerk.
Und wer weiß, vielleicht erzählt Frau Müller ja schon morgen der ganzen Nachbarschaft von meinem heldenhaften Kampf gegen die störrische Spannrolle. Ich bin gespannt!
